自動噴水滅火系統之一濕式系統
技術課堂時間到!本期給大家帶來了
自動噴水滅火系統之一濕式系統!一起來看看吧!
自動噴水滅火系統是指由灑水噴頭、報警閥組、水流指示裝置(水流指示器或壓力開關)等組件,以及管道、供水設施等組成,并能在發生火災時噴水的自動滅火系統。
按報警閥的形式,可分為濕式系統、干式系統、預作用系統和雨淋系統。
今天給大家介紹濕式系統

濕式系統由閉式灑水噴頭、水流指示器、濕式報警閥組以及管道和供水設施等組成,準工作狀態時管道內充滿用于啟動系統的有壓水的閉式系統。
濕式自動滅火系統應在開放一個噴頭后自動啟動。
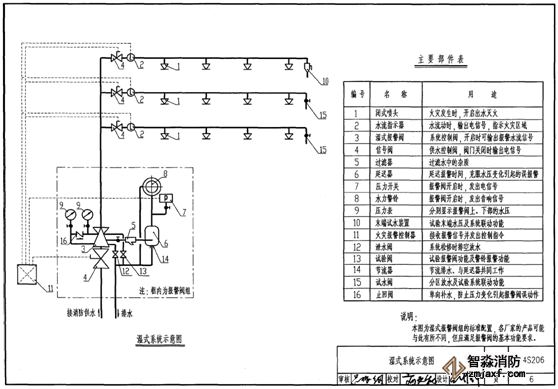
濕式系統示意圖

濕式系統工作示意圖

濕式報警閥組組成

濕式報警閥組各組件用途

響鈴截止閥
用途:不需要水力警鈴響時,可予關閉
狀態:平時常開,需要時可關閉

延遲器
用途:延遲水力警鈴動作時間,減少因水壓波動而造成的誤報警。
狀態:平時波動時有少量水,動作時充滿水

水力警鈴
用途:系統啟動后,能發出聲響的水力驅動式報警裝置。
狀態:平時不動作,動作時發出聲響

壓力開關
用途:報警閥動作后,壓力開關動作接通電觸點,可把信號傳遞給火災報警控制器。
狀態:平時觸電開啟,動作時觸電閉合

模擬試驗法
用途:泄系統側水壓,模擬火警發生
狀態:平時常閉,需要模擬試驗時開啟

系統側壓力表
用途:測試系統側管網水壓

濕式報警閥組
用途:接通或切斷供水,啟動水力警鈴,防止管網內水倒流
狀態:平時常閉,動作時自動開啟

供水信號蝶閥
用途:系統檢修時使用
狀態:平時開啟,系統檢修時關閉
濕式報警閥工作圖

伺應狀態
由供水設備(如穩壓泵、高位水箱)供水,使系統充滿設計要求的壓力水,濕式報警閥閥瓣因自身重力而關閉。本系統在此狀態下,允許供水系統有波動,但不至于誤報。

工作狀態
當保護區域內發生火災,環境溫度不斷上升,當環境溫度達到閉式噴頭動作溫度時,噴頭動作,灑水滅火。使管網一側(系統側)水壓下降,濕式報警閥閥瓣因上下壓差而開啟,向系統供水滅火。水流指示器因水流作用而動作,火災報警控制器收到水流指示器的反饋信號
而發出聲光警報顯示火災區域。同時由于濕式報警閥的開啟,使一部分水流入報警管路,通過延時器延時后水力警鈴發出報警鈴聲,同時壓力開關動作向火災報警控制器發出反饋信號,火災報警控制器通過邏輯關系啟動噴淋泵。
濕示自動噴水滅火系統的特點
結構簡單,施工、管理方便,滅火速度快,控火效率高。濕式自動噴水滅火系統適用于環境溫度大于4°C和小于70 °C的場所。
海灣消防安全有限公司主營:GST海灣消防報警設備銷售,消防工程施工改造,氣體滅火、電氣/漏電火災、消防水系統施工安裝,售后維修保養,檢測,調試,海灣消防網站:http://m.jurongxin.cn/;海灣消防服務熱線:4006-598-119
本頁關鍵詞:
上一篇:消防水池施工方案實例(值得收藏) 下一篇:你真的了解消防給水設施嗎?


蘇公網安備32058102002148號